Mycond MVS***-DW energy recovery ventilator are built with higher efficiency brushless DC motors, power consumption is reduced by up to 70%, resulting in significant energy saving.



The unit supplies fresh air into the room,
while exhausting stale indoor air outside,
so that you enjoy the comfort of natural environment.
During ventilation, the built-in high-efficiency
heat exchanger recovers over 70% of energy from
exhaust air, using it to warm up the intake fresh air.


The unit has stylish appearance with a neatly moulded
body. Any operating noise is perfectly silenced thanks to
the micro-perforated anechoic structure with
excellent aerodynamic properties.
Well-engineered air filters inside the unit effectively
remove any pollutants from the intake air
to provide you with fresh and clean air.


The by-pass function enables natural ventilation
under suitable climatic conditions, which
can prolong the service life of the heat
exchanger.Also this mode allows to use free-cooling mode in spring/autumn and heat
exchanger defrosting in winter.
The heat exchanger is connected via a moulded-in rail and sealed with special soft and dense packings. As a result, it is removable by hand and easy to maintain, while completely separating fresh and exhaust air flows to avoid cross-pollution.




* Available as an option
Higher efficiency with 3rd generation enthalpy exchanger
The 3rd generation enthalpy exchanger is made of the latest nanofiber structure to ensure higher efficiency. The heat exchange materials are mildew resistance and fire retardant. Crossflow enthalpy exchanger is built in this RV, heat recovery efficiency up to 82% in winter, the allowance of moisture exchange between fresh air and exhaust air make a comfortable indoor temperature and humidity.

In summer, the heat recovery system saves electric power on air conditioning by returning part of the outdoor heat back outside.

In winter, part of the indoor heat is returned into the room, providing considerable savings on space and air heating.

The data are given for reference. Much depends on the indoor air humidity, outdoor humidity, heat insulation of the room, heat insulation and length of the air ducts, etc.
| Specifications | Units | MVS400-DW | MVS500-DW | MVS700-DW | MVS900-DW | MVS1100-DW | MVS1400-DW | MVS1600-DW | MVS2200-DW | MVS2800-DW |
| Air flow rate | m3/h | 300 | 400 | 600 | 800 | 1000 | 1300 | 1500 | 2000 | 2600 |
| External pressure | Pa | 85 | 88 | 97 | 100 | 86 | 90 | 72 | 77 | 81 |
| Enthalpy efficiency, cooling | % | 57-70 | 57-70 | 59-74 | 55-66 | 58-70 | 56-68 | 63-71 | 60-68 | 56-68 |
| Enthalpy efficiency, heating | % | 61-72 | 60-74 | 61-78 | 57-76 | 62-75 | 59-70 | 65-73 | 62-72 | 59-70 |
| Heat transfer efficiency | % | 68-82 | 69-83 | 70-83 | 68-83 | 70-83 | 70-83 | 76-80 | 76-82 | 70-83 |
| Noise level | dB(A) | 34.5 | 37.5 | 39 | 41 | 42 | 43 | 50 | 51.5 | 53 |
| Voltage | 220-240 V / 1 phase / 50 Hz | |||||||||
| Input power | W | 80 | 116 | 162 | 290 | 327 | 424 | 700 | 724 | 848 |
| Power cable | mm2 | 3×1.5 | 3×1.5 | 3x1.5 | 3x1.5 | 3x1.5 | 3x1.5 | 3x1.5 | 3x1.5 | 3x1.5 |
| Control cable | mm2 | 2×0.5 | 2×0.5 | 2x0.5 | 2x0.5 | 2x0.5 | 2x0.5 | 2x0.5 | 2x0.5 | 2x0.5 |
| Control, standard | Yes (7-day clock) | |||||||||
| Control (BMS), Modbus | Yes | |||||||||
| Fan type | BLDC fan motor | |||||||||
| Fan speed (supply air) | 10-speed fan control | |||||||||
| Fan speed (exhaust air) | 10-speed fan control | |||||||||
| Bypass | Yes (automatic within an adjustable range) | |||||||||
| Defrosting | Yes (automatic within an adjustable range) | |||||||||
| CO2 control | Additional sensor (on/off control within an adjustable range) | |||||||||
| Fault alarm output contacts | Yes | Yes | Yes | Yes | Yes | Yes | Yes | Yes | Yes | |
| Fire shutdown | Yes | Yes | Yes | Yes | Yes | Yes | Yes | Yes | Yes | |
| Weight | kg | 25 | 31 | 34 | 53 | 61 | 71 | 106 | 122 | 142 |
| Dimensions: LxWxH | mm | 744×599×270 | 744×599×270 | 867×902×280 | 1134×884×388 | 1134×1134×388 | 1193×1243×388 | 1134×884×776 | 1134×1134×776 | 1193×1243×776 |
| Connection duct diameter | mm | 150 | 150 | 200 | 250 | 250 | 250 | 650×280 | 650×280 | 650×280 |
Dimensions
Ventilation units MVS400-DW – MVS500-DW
| Модель | A | B | C | E | F | G | I | K | M | N |
| MVS400-DW | 599 | 744 | 100 | 675 | 657 | 19 | 315 | 111 | 270 | Ø144 |
| MVS500-DW | 804 | 744 | 100 | 675 | 862 | 19 | 480 | 111 | 270 | Ø144 |

Dimensions
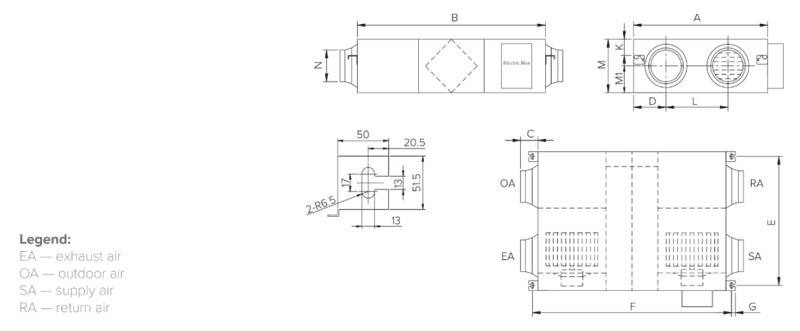
Ventilation units MVS700-DW – MVS1100-DW
| Model | A | B | C | D | E | F | G | L | K | M | M1 | N |
| MVS700-DW | 902 | 867 | 107 | 197 | 833.5 | 922 | 20.5 | 451.5 | 115.5 | 280 | 139.5 | Ø194 |
| MVS900-DW | 884 | 1134 | 85 | 202 | 818 | 1189 | 20.5 | 378 | 128 | 388 | 194 | Ø242 |
| MVS1100-DW | 1134 | 1134 | 85 | 202 | 1068 | 1189 | 20.5 | 628 | 128 | 388 | 194 | Ø242 |
All measurements are in millimetres.

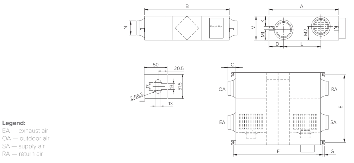
Dimensions
Ventilation unit MVS1400-DW
| Model | A | B | C | D | E | F | G | L | K | M | M1 | M2 | N |
| MVS1400-DW | 1243 | 1193 | 85 | 241 | 1172.5 | 1248 | 20.5 | 629.5 | 133 | 388 | 191 | 241 | Ø242 |
All measurements are in millimetres.

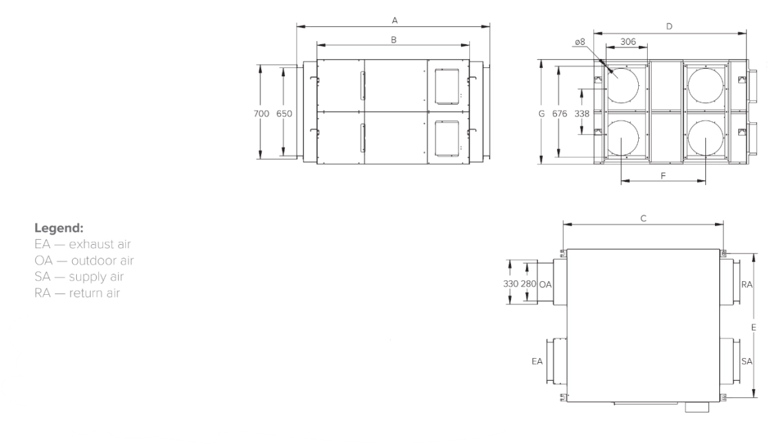
Dimensions
Ventilation units MVS1600-DW – MVS2800-DW
| Model | A | B | C | D | E | F | G | H | L |
| MVS1600-DW | 1434 | 1134 | 1189 | 884 | 818 | 378 | 776 | 650 | 280 |
| MVS2200-DW | 1434 | 1134 | 1189 | 1134 | 1068 | 628 | 776 | 650 | 280 |
| MVS2800-DW | 1493 | 1193 | 1248 | 1243 | 1173 | 629.5 | 776 | 650 | 280 |
All measurements are in millimetres.

Perfomance parameters

Perfomance parameters

Perfomance parameters

Perfomance parameters

Perfomance parameters
