The fan coil has 7 standard sizes of different air flow capacities (from 340 to 2100 m3/h), each of which is equipped with a 3- or 4-row coil and with the possibility of adding a 1- or 2-row coil for 4-pipe systems. This is the most complete range, ideal for all air conditioning requirements.





|
Specifications
|
Units | HPL 13 | HPL 23 | HPL 33 | HPL 43 | HPL 53 | HPL 63 | HPL 73 |
| Air flow | m3/h | 535 | 860 | 1115 | 1340 | 1375 | 1635 | 2100 |
| Cooling capacity | kW | 2,93 | 4,47 | 6 | 6,74 | 7,24 | 8,56 | 9,89 |
| Heating capacity | kW | 3,31 | 5,18 | 6,99 | 8,11 | 8,38 | 9,5 | 11,54 |
| Motor power input | W | 55 | 110 | 126 | 175 | 174 | 166 | 245 |
| Sound power (Lw) | dB(A) | 51 | 55 | 57 | 63 | 62 | 61 | 66 |
| Inlet/outlet water pipe | 1/2" | 1/2" | 1/2" | 1/2" | 1/2" | 1/2" | 1/2" | |
| Condensate pipe | mm | DN15 | DN15 | DN15 | DN15 | DN15 | DN15 | DN15 |
| Specifications | Units | HPL 14 | HPL 24 | HPL 34 | HPL 44 | HPL 54 | HPL 64 | HPL 74 |
| Air flow | m3/h | 535 | 860 | 1115 | 1340 | 1375 | 1635 | 2100 |
| Cooling capacity | kW | 3,37 | 5,45 | 6,95 | 7,42 | 8,01 | 9,55 | 11,29 |
| Heating capacity | kW | 3,6 | 5,76 | 7,32 | 8,57 | 8,84 | 10,62 | 13,13 |
| Motor power input | W | 55 | 110 | 126 | 175 | 174 | 166 | 245 |
| Sound power (Lw) | dB(A) | 51 | 55 | 57 | 63 | 62 | 61 | 66 |
| Inlet/outlet water pipe | 1/2" | 1/2" | 1/2" | 1/2" | 1/2" | 1/2" | 1/2" | |
| Condensate pipe | mm | DN15 | DN15 | DN15 | DN15 | DN15 | DN15 | DN15 |
| Specifications | Units | HPL 13-4T/1R | HPL 23-4T/1R | HPL 33-4T/1R | HPL 43-4T/1R | HPL 53-4T/1R | HPL 63-4T/1R | HPL 73-4T/1R |
| Air flow | m3/h | 535 | 860 | 1115 | 1340 | 1375 | 1635 | 2100 |
| Cooling capacity | kW | 2,93 | 4,47 | 6 | 6,74 | 7,24 | 8,56 | 9,89 |
| Heating capacity | kW | 2,5 | 3,7 | 4,87 | 5,48 | 5,79 | 6,93 | 8,12 |
| Motor power input | W | 55 | 110 | 126 | 175 | 174 | 166 | 245 |
| Sound power (Lw) | dB(A) | 51 | 55 | 57 | 63 | 62 | 61 | 66 |
| Inlet/outlet water pipe | 1/2" | 1/2" | 1/2" | 1/2" | 1/2" | 1/2" | 1/2" | |
| Condensate pipe | mm | DN15 | DN15 | DN15 | DN15 | DN15 | DN15 | DN15 |
The characteristics are given for the following operating parameters:
Static pressure: 0Pa
COOLING: inlet air temperature +27 °C dry. temperature, +19 °C humidity. therm. Inlet/outlet water temperature. +7/12 °C.
HEATING: air temperature at the entrance is +20 °C. Inlet/outlet water temperature. +50/45 °C.
Heating 4-pipe system: air temperature at the entrance +20 °C. Inlet/outlet water temperature. +65/55 °C.

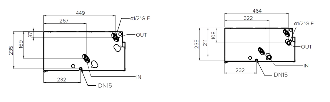
Note:
(*) — Coil connections on the left
(**) — Additional condensate tray (option)
(***) — Intake frame dimensions: E x 119 mm
(****) — External diameter

Note:
(*) — Coil connections on the left
(**) — Additional condensate tray (option)
(***) — Intake frame dimensions: E x 119 mm
(****) — External diameter
| Model | Units | HPL 1 | HPL 2 | HPL 3 | HPL 4 | HPL 5 | HPL 6 | HPL 7 |
| D | mm | 689 | 904 | 1119 | 1119 | 1334 | 1549 | 1549 |
| E | mm | 645 | 860 | 1075 | 1075 | 1290 | 1505 | 1505 |
| F | mm | 669 | 884 | 1099 | 1099 | 1314 | 1529 | 1529 |
3- or 4-row coils / Additional heating coil (1 or 2 rows)

| Model | Units | HPL 1 | HPL 2 | HPL 3 | HPL 4 | HPL 5 | HPL 6 | HPL 7 |
| 3 rows | kg | 18,5 | 25,4 | 26,5 | 27,9 | 38,4 | 47,2 | 47,4 |
| 3+1 rows | kg | 19,7 | 26,9 | 28,3 | 29,7 | 40,3 | 49,5 | 49,7 |
| 4 rows | kg | 19,5 | 26,7 | 27,9 | 29,0 | 39,8 | 48,9 | 49,1 |